Välkommen till Sveriges största forum för amerikanska bilar av alla årsmodeller!

start problem cheva s10

GM's mest populära bilmärke
Användarens profilbild
duck.of.shireåsen
Minivan
Inlägg: 33
Blev medlem: sön 22 sep 2013, 00:22

Re: start problem cheva s10

idag mätte jag upp spridare kontakten först genom att ta bort den och mäta vad som var + och - sedan sate jag tillbaka den och skar ett jack i 2 kablar , ja jag fan ingen annan råd . sen startade jag motorn multimetern visade att den fick ström i perioder alltså när det behövdes , sen när motorn startade då fick den ström i va 5 sekunder under motorns gång sen när motorn stannade även fast den fick fortsatt matning av startmotorn , då visade multimetern att spridarna inte fick ström impuls längre .
så var ligger felet då .

kontakt 1 mätte jag spridare impulsen på .
kontakt 2 vad är den till .
Bilagor
sp.jpg
Annons
Användarens profilbild
duck.of.shireåsen
Minivan
Inlägg: 33
Blev medlem: sön 22 sep 2013, 00:22

Re: start problem cheva s10

tekniknissen1 skrev: :lol:
jag börja tro att det faktiskt har något med nyckeln att göra även fast den inte är chippad , med tanke på spridare beteendet , det finns två kablar på ovansida som jag inte hittar någon funktion för så jag börjar tro att dom ska känna av en nyckel , undrar om det kan fungera att koppla ihop dom för att lura datorn .
Användarens profilbild
Avenger
Administratör
Inlägg: 14783
Blev medlem: lör 18 dec 2010, 14:10
Ort: Sverige
Kontakt:

Re: start problem cheva s10

Dom måste ihop med ett motstånd/resistor i sådana fall, finns 15 olika värden:

VATS # (K)OHMS (Set your meter to the 20k ohm setting)

1———— 0.402
2———— 0.523
3———— 0.681
4————-0.887
5————-1.130
6————-1.470
7————-1.870
8————-2.370
9————-3.010
10————3.740
11————4.750
12————6.040
13————7.500
14————9.530
15————11.801

http://vats.likeabigdog.com/" onclick="window.open(this.href);return false;
Grab Life by the Horns! - Dodge

Bild
Användarens profilbild
duck.of.shireåsen
Minivan
Inlägg: 33
Blev medlem: sön 22 sep 2013, 00:22

Re: start problem cheva s10

nej funkade inte .

men undrar vad dessa kablar är till och var dom går .
Bilagor
st.jpg
Användarens profilbild
Avenger
Administratör
Inlägg: 14783
Blev medlem: lör 18 dec 2010, 14:10
Ort: Sverige
Kontakt:

Re: start problem cheva s10

Du menar att det inte fungerade när du kopplade ihop dem? Du måste ha rätt ohm-tal, eller hur menar du att du provade?
Grab Life by the Horns! - Dodge

Bild
Användarens profilbild
sverker
Hedersmedlem
Inlägg: 1864
Blev medlem: tor 01 sep 2011, 20:41
Ort: Stockholm

Re: start problem cheva s10

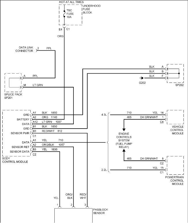
Visst är det tre kablar som är gul, orange/svart och röd/vit. Titta på det här schemat för pass-key circuit:
Pass-Key_Circuit.png
Dvs, du har ett chip i nyckeln och symptomen du beskriver tycker jag låter som när den klipper då den inte lyckas kommunicera med nyckeln. Kanske den blivit skadad då du bröt upp låscylindern t.ex.
Användarens profilbild
duck.of.shireåsen
Minivan
Inlägg: 33
Blev medlem: sön 22 sep 2013, 00:22

Re: start problem cheva s10

jag ska leta rätt på ett nytt lås på någon skrot , dom är dyra 500 kr fan bilen är värd 10,000 kr om man har tur.

det kan vara så att motstånden jag prova med var dåliga .
Användarens profilbild
duck.of.shireåsen
Minivan
Inlägg: 33
Blev medlem: sön 22 sep 2013, 00:22

Re: start problem cheva s10

Avenger skrev:Du menar att det inte fungerade när du kopplade ihop dem? Du måste ha rätt ohm-tal, eller hur menar du att du provade?
vilka ska man koppla ihop och var ska motståndet sitta
Användarens profilbild
duck.of.shireåsen
Minivan
Inlägg: 33
Blev medlem: sön 22 sep 2013, 00:22

Re: start problem cheva s10

sverker skrev:Visst är det tre kablar som är gul, orange/svart och röd/vit. Titta på det här schemat för pass-key circuit:
Pass-Key_Circuit.png
Dvs, du har ett chip i nyckeln och symptomen du beskriver tycker jag låter som när den klipper då den inte lyckas kommunicera med nyckeln. Kanske den blivit skadad då du bröt upp låscylindern t.ex.

vilka ska man koppla ihop och var ska motståndet sitta
Användarens profilbild
sverker
Hedersmedlem
Inlägg: 1864
Blev medlem: tor 01 sep 2011, 20:41
Ort: Stockholm

Re: start problem cheva s10

Det är inget motstånd i det fallet utan ett chip i nyckeln.

Sent from my GT-N7000 using Tapatalk 4
Användarens profilbild
tekniknissen1
SUV
Inlägg: 436
Blev medlem: fre 08 mar 2013, 21:55
Ort: Malmö

Re: start problem cheva s10

http://autosecurity.tripod.com/PASS1.html" onclick="window.open(this.href);return false;
Det är alltid den sista hästkraften som får motorn att rasa !!
Användarens profilbild
Avenger
Administratör
Inlägg: 14783
Blev medlem: lör 18 dec 2010, 14:10
Ort: Sverige
Kontakt:

Re: start problem cheva s10

Men kom inte transponderchippen mycket senare? =(
Grab Life by the Horns! - Dodge

Bild
Användarens profilbild
duck.of.shireåsen
Minivan
Inlägg: 33
Blev medlem: sön 22 sep 2013, 00:22

Re: start problem cheva s10

nej inget chipp i nyckeln men är ganska säker på att det satt i tändningslåset ,
så nyckeln tryckte upp chippet eller kontakten i låset så att bilen vet att det är en nyckel och inte en skruvmejsel , måste ha blivit skadad när jag borrade ur låset .
så det borde bara vara att koppla ihop rett kablar med eller utan motstånd . ringde till bil bilhandlaren men dom påstod sig inte veta och det finns sina förklaringar varför dom inte vill berätta .
Användarens profilbild
tekniknissen1
SUV
Inlägg: 436
Blev medlem: fre 08 mar 2013, 21:55
Ort: Malmö

Re: start problem cheva s10

Det som slog mig i min bakfylla (smärtsamt) är om det är så att det är redan modifierat för att det där är inget motstånd i nycklarna som det borde vara. Så där sitter ett motstånd någonstans. under panelen. Men det har hänt något så BCM boxen slår av spridarna. Som sagt innan så följ orang /gul /röd,vit så det inte är moddat redan.
Det är alltid den sista hästkraften som får motorn att rasa !!
Användarens profilbild
sverker
Hedersmedlem
Inlägg: 1864
Blev medlem: tor 01 sep 2011, 20:41
Ort: Stockholm

Re: start problem cheva s10

Elschemat är för S10 '99, och indikerar att det borde finnas ett transponderchip

Sent from my GT-N7000 using Tapatalk 4
Skriv svar